出口紧固件检验标准七项原则
原则一:关注新的或老的DIN产品标准
在2003年开始德国新发布的紧固件型式尺寸标准与我们日常出口和传统生产执行标准已经有变化。
取消:
◇产品标准:DIN 912、DIN 931、DIN 933、DIN 934、912、84、6921、6923等的常用老的近百个产品标准。(这些老标准很流行!)
◇基础技术标准:DIN 267-3、DIN 267-4、DIN 267-9、 DIN 267-10、DIN267.19 、DIN267.20 等一些常用老的基础技术条件标准已经取消。 (这些老基础标准被替代!不用了!)
◇DIN 918描述《欧盟紧固件标准概述》
原则二: 注意标准发展趋势
一、欧盟标准加快了等同采纳ISO/TC2标准的步伐
近几年DIN出版的紧固件手册中,DIN采用EN ISO或ISO的 标准数量也在不断增多,速度也在加快。
在紧固件产品和技术标准方面,DIN标准与EN、ISO标准合作,尽可能向统一和一致的方向努力。
DIN 自己原来的基础标准数量在不断减少。
ISO每年都在更新标准(2015年)。
二、美国紧固件标准更新速度更快
工业紧固件协会于2014年7月正式推出《IFI-9版英制紧固件标准手册 》;汇集了美国英寸的紧固件产品和基盛典标准一一对应。
ASME美制紧固件产品标准一般3~5年更新一次。
ASTM的紧固件标准一年更新一次(ASTM 2016版)。
美国的米制紧固件标准贯彻ISO标准,如ASTM F568M取消。
联合认可标准
| 二OOO年后,随着欧洲区域经济一体化,在统一标准、统一贸易技术条款促进欧盟经济一体化发展贸易原则;
DIN标准也开始直接引用欧洲EN或ISO标准。
所以讲德国紧固件除了个别的特色产品之外,其他如螺栓、螺钉和螺母常规产品及几乎全部的基础标准与ISO、EN 标准中是; 二OOO年后,随着欧洲区域经济一体化,在统一标准、统一贸易技术条款促进欧盟经济一体化发展贸易原则; ——完全同步; |
《欧洲EN螺栓、 螺钉尺寸标准》 |
欧盟EN钢结构螺栓标准2015年版
|
|
![]() | ◇EN14399:2015是欧盟结构螺栓连接,有10个系列标准 ◇ 更新——EN14399:2005或 2006版标准 取消——DIM6914、6915、 6916标准 ◇ HR和HV二个等级系列 |
原则三: 紧固件基础技术条件要最新 ISO标准
无能合同产品是新标准还是已经作废的老DIN和GB标准,在采用基础技术条件的方面上,是必须采用最新的年份标准或者已升级的ISO、EN和GB标准,这是国际标准和国际贸易的规则。
如: ISO 898-1:2009、现是2013版 !!!!
ISO 898/2:2012
要注意基础技术标准的版本年限问题,尤其在签订贸易合时要格外注意这一点,不以能认为是老标准了就用老办法、老标准对待,这是国际贸易惯例。
例如:执行ISO 898-1:2013
ISO 898-1:2013年已颁发,在现行的产品标准中,无论是新产品或是老的产品标准都必须执行2013年版标准。 执行的产品包括: 老的德国标准 DIN 931、DIN 933、
DIN 912、558、601 新的国际准 ISO 4014、4017 老的德国钢结构螺栓 DIN 6914 新的欧共体标准 EN 14399 | ![]() |
原则四:注意新标准技术和质量要求
| 质量验收水平趋向Ac=“零”的要求。 新标准更强调新技术、新质量要求。 表面镀锌层盐雾试验时间大幅度提高。 机械性能检验程序更细化,操作性更强ISO898/1:2013版有15个试验程序。 提出FPC过程控制、管理要求。 理论性理强:如电镀氢脆的生成机理和去氢脆方法。 |
JS500——盐雾试验红锈 时间≥500h |
标准变更页码的增加
标准 | 版本 | 版本 |
ISO 898/1 | 1999年版有20页 | 2013年版的58页 |
ISO 10863 | 2000年版有10页 | 2014年版有32页 |
ISO 4042 | 1999年版有20页 | 2016年(7th draft) |
原则五: 工艺性要求和工作特性要求
标准的发展趋势是开始将工艺性要求放入标准中去了。
工艺性要求
1、ISO 10684规定热镀锌二种(高温和低温)热镀锌温度。
2、ISO 898/1:2013版规定90%马氏体级别含量检查,是在淬火后,回火前
检查的检验方法。是针对如何正确选用淬火冷却液和规格大小的淬透性的
考核,选用合适的材料的一项工艺性要求。
3、ISO 4042和ISO 10683规定去氢有工艺规要求。
4、ISO /DIS 898 /2:2014规定8级螺母≤M16 ,由生产者选择是或否,要进行热处理”QT” 规则和要求。
5、ASTM F1554-2015《锚固螺栓》规定弯曲工艺温度要求,去应力 回火。
6、热镀锌后螺母不允许再二次攻丝。
原则五: 工作特性和过程控制要求 标准的发展趋势将工作特性和FPC要求放入标准中。
工作特性要求
1、 EN14399规定的扭矩K系数试验要求。取决于表面润滑处理,而且是对材料和热处理工艺性的要求考核。
2、热镀锌螺母的转角试验(美制A325和AS1252规定转角试验,防螺纹咬合)在新的ASTM F3125/F3125-2015a标准作了更明确的规定。
3、汽车紧固件的装配紧固轴力和扭矩要求!
过程控制FPC
标准强调——从原材料控制、技术文件管量、工艺规程设计、过程质量检验控制、设备条件、最终成品的抽样检验和质量法规。
原则六: 收集最新版标准
德制和国际标准一般每2~3年更新一次。
目前DIN紧固件标准最新是2015年5月版(包括认可)。
ASTM 标准原则一年更新一次。
各国标准在不断推出新系列的标准,一旦新标准颁布,则原标准自动作废。
DIN紧固件标准手册-2015
DIN手册 | 内容 |
DIN标准第10卷 | 紧固件1册---螺栓和螺钉尺寸共计86个标准 |
DIN标准第43卷 | 紧固件2册---销钉、铆钉、键、吊环95个标准 |
DIN标准第55卷 | 紧固件3册---螺栓、螺母和垫圈技术条件38个标准 |
DIN标准第140卷 | 紧固件4册---螺母和螺栓/螺母95个标准 |
DIN标准第193卷 | 紧固件5册---紧固件基础标准 |
DIN标准第362卷 | 紧固件6册---欧洲紧固件标准 |
美国机械性能最新版标准
标准号 | 九版 | 新版 | 标 准 名 称 |
SAE J429 | 2014 | 2014 | 外螺纹紧固件机械性能和材料要求 |
ASTM A193/193M | 2012 | 2016 | 用于高温或高压以及其他特殊用途的合金钢和不锈钢栓接材料 |
ASTM A320/A320M | 2011a | 2015 | 用于低温条件的合金钢螺栓材料 |
ASTM A307 | 2012 | 2014 | 碳钢外螺纹标准紧固件 |
ASTM A194 | 2011a | 2016 | 用于高温或高压服务螺栓的碳钢、合金钢和不锈钢材料的螺母机械性 |
ASTM A354 | 2011 | 2011 | 淬火和回火合金钢螺栓、螺柱及其它外螺纹紧固件 |
ASTM A449 | 2010 | 2014 | 热处理,最小抗拉强度120/105/90Ksi,一般用途的钢制六角螺钉、螺栓和螺柱 |
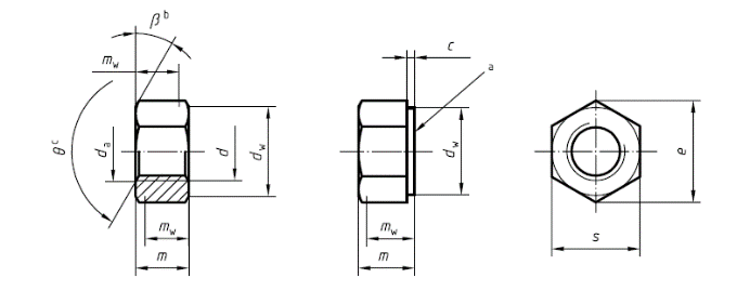
原则七:关于DIN 934螺母强度说明
DIN 934螺母标准在德国2002年已将此标准淘汰了。
提升为:DIN ISO 4032 《国际六角螺母》
DIN ISO 8673 《德制、国际六角螺母-细牙》
由于DIN 934《六角螺母》还是老的对边和较薄的螺母高度的型式,所以该螺母采用的机械性能标准还是老的DIN267-4标准。
分析螺母受力时与结构有关因素
1、轴向螺纹剪切力——与螺母厚度有关
2、横向扩胀力——与螺母对边大小有关
3、支承面的承压力——与支承面大小有关
*除了材料和热处理工艺—等级之外因素!
螺母结构型式决定强度!!
螺母 (1型) |
螺母 (2型) |
|
薄螺母 |
产品 | 厚度 m | 标准 | 适用强度等级 |
螺母1型 | 0.82~0.9d厚度 | ISO 4032 | 6~12级 |
螺母2型 | 厚度等于1d | ISO 4035 | 9、10级 |
重型 | 大对边、 1d高厚度 | GB1229 DIN6915 | 10、12级钢结构栓 |
一般 | 0.8d厚 | DIN 934 | 181级 |
关于DIN 934螺母强度说明
由于DIN 934《六角螺母》还是老的对边和较薄的螺母高度的型式,所以该螺母采用机械性能标准还是老的DIN267-4标准。
DIN 934螺母的 I8I级,无论螺母规格大小其保证负荷均是等值800N/mm2
ISO 4023螺母的8 级,保证负荷是随着规格的递增而增加
(800~920 N/mm2)。
所以,德国DIN 934标准为了有所区别于ISO标准的螺母机械性能的等级,标准规定在DIN 934螺母的等级标志上注“I8I”级标志,与ISO标准的8级强度等级的标志有所区别。
![]() | ![]() |
| DIN 934螺母等级标记 “|8|”级 | ISO 4032螺母等级标记 “8”级 |











